• Regulamin
  • Zaloguj się
  • Rejestracja
Twój koszyk
  1. Home
  2. TUZ TYLNY
arrow_right_altWstecz

Kategoria: TUZ TYLNY
Wybierz z listy podzespół

Aktualnie wybrany model:

Kliknij by zmienić model
  • Sortowanie

  • Po nazwie A-Z
  • Po nazwie Z-A

Ramiona dolne podnośnika

Model:

Stabilizatory

Model:

Łącznik centralny

Model:

Hydrauliczny obwód podnośnika

Model:

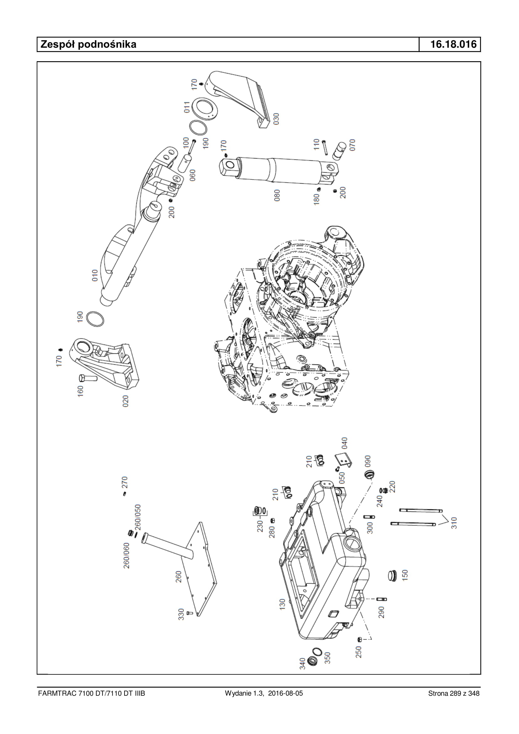
Zespół podnośnika

Model:

Wybierz model traktora

Znajdź części:

6050DT HERITAGE

Znajdź części:

675 DT

Znajdź części:

690 DT/685 DT

Znajdź części:

6075DT/6060DT HERITAGE

Znajdź części:

690 DT/685 DT IIIB

Znajdź części:

9105 DT/9120 DT IIIB

Znajdź części:

7100 DT/7110 DT

Znajdź części:

555/555 DT

Znajdź części:

675 IIIA

Znajdź części:

7100 DT/7110 DT IIIB

P.H.U. ZIMEX Halina Zimoch

Lorem ipsum dolor sit amet, consectetur adipisicing elit. In praesentium consectetur odit quos vel, similique dolores, ex a adipisci, optio veniam quidem officia nisi recusandae sunt! Autem nemo libero quo?

Dane teleadresowe

P.H.U. ZIMEX Halina Zimoch
Leszcze 29
99-100 ŁĘCZYCA
PN-PT 08:00 - 16:00

  • +48 502 611 977

Oferta

  • 555/555 DT
  • 6050DT HERITAGE
  • 690 DT/685 DT
  • 6075DT/6060DT HERITAGE
  • 690 DT/685 DT IIIB
  • 9105 DT/9120 DT IIIB

Baza wiedzy

  • 7100 DT/7110 DT IIIB
  • 675 IIIA

Mapa strony

  • O nas
  • Regulamin
  • Polityka prywatności
  • Kontakt

Używamy cookies w celach funkcjonalnych, aby ułatwić użytkownikom korzystanie z witryny. Jeżeli nie blokujesz plików cookies, to zgadzasz się na ich używanie oraz zapisanie w pamięci urządzenia. Możesz samodzielnie zarządzać cookies zmieniając odpowiednio ustawienia Twojej przeglądarki. Zapoznaj się z naszą polityką prywatności.

Akceptuję

Copyright 2026 © Designed by Crevo, work with Elements